Noticias:

Auriculares.org: el foro sobre auriculares en español

Menú Principal

Ampli Grado RA-1

Iniciado por rocoa, Agosto 05, 2008, 00:53:05

Tema anterior - Siguiente tema

Raul_77

Citarsoy bastante excéptico en cuanto al rodaje de los componentes electrónicos

Lo ha demostrado el propio Douglas Self, al que nadie puede acusar de veleidades subjetivistas, más bien se le podría definir como objetivista ultraortodoxo. Medidas reproducibles y verificables, nada de escuchas sujetas a opinión:

http://www.auriculares.org/foro/index.php/topic,3251.msg63221.html#msg63221

Saludos, Raúl
Una de las principales características de las medidas en Audio, es que se toman en condiciones que nunca se dan en la realidad

mbiker

Raúl te agradezco una vez más tus bien fundadas aportaciones, me gustaría saber además si esas diferencias cuantificables en el rendimiento técnico del equipo tienen una traducción apreciable en lo que humanamente somos capaces de apreciar.

Raul_77

Las diferencias fueron apreciadas inicialmente en la escucha, lo que quiere decir que la respuesta es un sí. Pero como se ha dicho muchas veces las escuchas carecen de ningún valor probatorio, hasta que unas medidas plenamente reproducibles y verificables no las confirman o niegan no hay ninguna afirmación válida que hacer.

Leete esto, habla de ese mismo proceso de: primero la escucha después la medida. Es muy habitual pero solo la medida es válida.

http://www.mediafire.com/file/ln2lngm51n4/MythBusters.pdf

Saludos, Raúl
Una de las principales características de las medidas en Audio, es que se toman en condiciones que nunca se dan en la realidad

mbiker

Hola de nuevo Raúl:

Lo cierto es que cuando entramos en cuestiones puramente técnicas, los profanos como yo nos perdemos y no sabemos a que carta quedarnos, de hecho no es difícil encontrar opiniones contrapuestas, como se suele decir para muestra un botón:

http://www.matrixhifi.com/contenedor_verdadcables.htm

en definitiva me siento incapaz de discutir con la menor solvencia en términos de tecnología electrónica.

Por ello me veo limitado a los propios oídos y cerebro para decidir con qué cables, o equipamiento soy capaz de disfrutar en mayor o menor grado de nuestra música.

Saludos y gracias por la información.


Eferbel

Pues entoces los mejor es que saques por tus propias conclusiones independientemente de lo que te digan unos u otros. Si no puedes hacer mediciones, haz pruebas subjetivas, así saldrás de dudas.

feraldi

#515
Cita de: herdom en Noviembre 06, 2011, 11:39:39
Pues en compraventa tienes unos sr225i bastante nuevos
http://www.auriculares.org/foro/index.php/topic,6220.0.html

En cuanto a unos inear, tienes estos en preorder por 35€, justo acaba mañana, despues eran 50 eurillos. Viendo los productos anteriores de la marca, la relacion precio/calidad esta mas que asegurada, incluso son superiores a modelos que valen 2 o 3 veces mas, y no tienes porque gastarte un paston en  los GR8. Yo me he pillado unos  ;D
http://www.reproductormp3.net/auriculares-y-amplificacion-portatil/brainwavz-m4/

Tambien te puedes plantear los Creative Auvarna por 35€ (con los drivers de los denon d1001), eso si, cuidadin si tienes las orejas pelin grandes :juer:
http://www.auriculares.org/foro/index.php/topic,5188.0.html
http://www.amazon.es/s/ref=nb_sb_ss_i_3_5?__mk_es_ES=%C5M%C5Z%D5%D1&url=search-alias%3Daps&field-keywords=creative+aurvana+live&sprefix=creat

Ale, ya tienes la cosa mas liadilla si cabe  >D

Consulta hecha especialmente para Herdom,

acabo de recibir mis esperados Brainwavz-M4 y bueno, como decirlo...de momento y escuchándolos a pelo (sin amplificar, ni rodar, ni ná de ná)...pues como que no me gusta el sonido que sacan, estoy escuchando el "The Burning Red" (tu ya me entiendes  :cuernos:) y me parecen agudos en exceso y los graves como que se deben haber caído en el contenedor camino de Honk-Kong a España por que no se los encuentro, es más, por fuerte que parezca me gustaba más el sonido que le sacaba al manos libres stereo del móvil (no es ninguna coña).

¿Los has recibido ya?, ¿que te han parecido?, ¿mejoraría amplificando o rodándolos?, ¿la diferencia con respecto a los otros auriculares es por que estos son in-ear y los otros no (soy consciente de la diferencia de dimensiones de las membranas y entiendo que esto impondrá limitaciones)?, ¿opinas que le irá bien el Clon chino del RA-1?...igual es que estoy demasiado viciado con los graves, no se...

Muchas gracias

mbiker

Cita de: feraldi en Diciembre 01, 2011, 22:09:30

Consulta hecha especialmente para Herdom,

acabo de recibir mis esperados Brainwavz-M4 y bueno, como decirlo...de momento y escuchándolos a pelo (sin amplificar, ni rodar, ni ná de ná)...pues como que no me gusta el sonido que sacan, estoy escuchando el "The Burning Red" (tu ya me entiendes  :cuernos:) y me parecen agudos en exceso y los graves como que se deben haber caído en el contenedor camino de Honk-Kong a España por que no se los encuentro, es más, por fuerte que parezca me gustaba más el sonido que le sacaba al manos libres stereo del móvil (no es ninguna coña).

¿Los has recibido ya?, ¿que te han parecido?, ¿mejoraría amplificando o rodándolos?, ¿la diferencia con respecto a los otros auriculares es por que estos son in-ear y los otros no (soy consciente de la diferencia de dimensiones de las membranas y entiendo que esto impondrá limitaciones)?, ¿opinas que le irá bien el Clon chino del RA-1?...igual es que estoy demasiado viciado con los graves, no se...

Muchas gracias

Por si te sirve de algo he probado el Clon RA-1 con varios modelos de Brainwavz de los que dispongo, aunque no con los M4, concretamente con los Beta me gusta bastante, por lo que he leído los M4 deberían tener también unos graves potentes; también me gusta por ejemplo con los M2 aunque no tanto. En mi experiencia personal en el momento inicial al recibir unos auriculares nuevos casi nunca me gustan, y con el paso de los días va mejorando mi percepción y satisfacción exponencialmente, así que, dales una oportunidad, sin es el perfil sonoro que experabas, quizás en unos días salga a relucir, buena suerte amigo.

Saludos.

feraldi

#517
Muy buenas Mbiker y gracias por compartir tus experiencias compañero.

Lo que si puedo decir es que después de estar escuchando varios temas he vuelto a conectarmi mis anteriores auriculares y la primera percepción que he tenido es que estos tienen un sonido más cálido, con más cuerpo pero con menor definición, la sensación ha sido como de que los diferentes sonidos estuvieran más "enmarañados"...lo que dices, hay que darles una oportunidad. Quizás no sea más que eso, que igual estoy malacostumbrado a un exceso de graves, pero entiendo que unos in-ear y más teniendo en cuenta el precio que me han costado, han de tener sus limitaciones.

Por cierto, ¿que tal con tus Jantzen?, ¿has percibido mejoras con el uso?, ojalá que si.

Un saludo.  :D


mbiker

Respecto a los Jantzen no aprecio diferencias espectaculares con el uso, es posible que hayan mejorado un poco las sensaciones, aunque de momento tengo algunas dificultades técnicas con el Clon porque estoy a la espera de sustituir un potenciómetro por otro que viene de camino. Ya os contaré más adelante.

Por otro lado me encanta la combinación de los Brainwavz Beta con el clon, aunque reconozco que el sonido es un poco "opaco", quizás en comparación con otros como los M2 y los Grado que son más detallados, pero esto es probablemente debido a las limitaciones intrínsecas de los Beta. Estoy deseando probar el clon algún día los B2........

feraldi

Estooooo...pues no se si es que los auriculares se tenían que "calentar", que los tuviera mal colocados (esto se pone en las orejas, no?:juer:), o que simplemente me estoy acostumbrando al nuevo sonido, pero ya percibo los graves perfectamente y no se quedan para nada cortos...no se, es como si de repente hubieran despegado, con la ventaja añadida de la claridad en los sonidos, acabo de descubrir detalles desconocidos para mi hasta la fecha en un disco que tengo muy escuchado.

Parece que esto chuta. ;D

mbiker

Como bien sabes en muchos IEMs es crítica la colocación, en algunos de éstos para que suenen decentemente me los tengo que "atornillar" literalmente al oído, amén de elegir de forma muy cuidadosa las "gomitas" adaptadoras.

Me alegro de la mejora (a mí me suele ocurrir lo mismo).

Saludos.

herdom

Cita de: feraldi en Diciembre 01, 2011, 22:09:30
Cita de: herdom en Noviembre 06, 2011, 11:39:39
Pues en compraventa tienes unos sr225i bastante nuevos
http://www.auriculares.org/foro/index.php/topic,6220.0.html

En cuanto a unos inear, tienes estos en preorder por 35€, justo acaba mañana, despues eran 50 eurillos. Viendo los productos anteriores de la marca, la relacion precio/calidad esta mas que asegurada, incluso son superiores a modelos que valen 2 o 3 veces mas, y no tienes porque gastarte un paston en  los GR8. Yo me he pillado unos  ;D
http://www.reproductormp3.net/auriculares-y-amplificacion-portatil/brainwavz-m4/

Tambien te puedes plantear los Creative Auvarna por 35€ (con los drivers de los denon d1001), eso si, cuidadin si tienes las orejas pelin grandes :juer:
http://www.auriculares.org/foro/index.php/topic,5188.0.html
http://www.amazon.es/s/ref=nb_sb_ss_i_3_5?__mk_es_ES=%C5M%C5Z%D5%D1&url=search-alias%3Daps&field-keywords=creative+aurvana+live&sprefix=creat

Ale, ya tienes la cosa mas liadilla si cabe  >D

Consulta hecha especialmente para Herdom,

acabo de recibir mis esperados Brainwavz-M4 y bueno, como decirlo...de momento y escuchándolos a pelo (sin amplificar, ni rodar, ni ná de ná)...pues como que no me gusta el sonido que sacan, estoy escuchando el "The Burning Red" (tu ya me entiendes  :cuernos:) y me parecen agudos en exceso y los graves como que se deben haber caído en el contenedor camino de Honk-Kong a España por que no se los encuentro, es más, por fuerte que parezca me gustaba más el sonido que le sacaba al manos libres stereo del móvil (no es ninguna coña).

¿Los has recibido ya?, ¿que te han parecido?, ¿mejoraría amplificando o rodándolos?, ¿la diferencia con respecto a los otros auriculares es por que estos son in-ear y los otros no (soy consciente de la diferencia de dimensiones de las membranas y entiendo que esto impondrá limitaciones)?, ¿opinas que le irá bien el Clon chino del RA-1?...igual es que estoy demasiado viciado con los graves, no se...

Muchas gracias

Hola,

Pues los recibi ayer, pero por temas familiares solo los he podido probar 10 minutillos, pero no creo que esten faltos de graves para nada, aunque no son unos inear con unos graves cabezones (no se si esperabas eso). La verdad es que el sonido me ha gustado bastante y tiene bastante detalle, aunque mi experiencia en inears es bastante corta (PL30, Xears TDIII, M1 y M4), pero necesito escucharlos mas para poder dar una opinion correcta.

En referencia a lo que comentabas de que no encontrabas los graves, tiene mucha importancia tanto la colocacion (como te comenta mbiker) como el tamaño adecuado de las olivas o complys ;), haz pruebas con los otros tamaños a ver que pasa

arquitrabe

Esta tarde he tomado una copa en casa de mi cuñado y tenía en su oficina un ampli Grado RA- 1 (alta ganancia) con un par de auriculares Grado RS 1!, todo conectado a un iPod Touch con un cable ALO audio.

Yo estoy acostumbrado al RS 1! con mi Mapletree, y la verdad es que aunque creo que el ampli Grado colorea el sonido, y le pasa una especie de filtro Hi-Fi, he de decir que me encanta, y con los flats mejor que mejor. La verdad es que la sinergia que se da entre estos dos aparatos es plena.

He preparado unos cuantos temas para sangrar orejas porque el equipo lo pide  >D >D >D

1. Sebastian Bach:kicking & screaming: ese grito del estribillo estaría bien escucharlo en directo en la propia cabina de grabación y no poder evitar sacar los cuernos.

2. Guns and Roses: Novembre Rain (edición MFSL), la Les Paul de Slash suena gorda gorda.

3. Pantera: Heresy, del cd Cowboys From Hell: voy a echarme otra copa.

...y eso que el ampli era la versión de alta ganancia  :juer:




herdom

#523
Hola a todos!

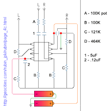
Tengo en proyecto realizar el clon en madera, imitando al original, y haciendome yo la placa del circuito, pero tengo una duda.

En el clon original no aparacen por ningun sitio los dos condensadores electroliticos a la salida de las baterias,  que si he visto tanto en diseños por la red y tambien incorporan el clon chino que se vende por ebay.

Esquema y montaje original del RA1:





Esquema y montaje con electroliticos:





Los deberia montar? Porque se incorporan al diesño si el original no los lleva? Que funcion tienen? Supongo que haran de deposito de energia para el clon. Seria mejor aumentar considerablemente la capacidad para un mayor rendimiento? Suelen montarse 220uF o 330uF.

Por otra parte, he visto quien recomienda montar resistencias de 1/2w en vez de 1/4w. Es una exageracion o  vale la pena?


Jose

Creo que lo de las resistencias es debido a que afectan menos a la señal que las de menor potencia. Raúl en su momento colgó un articulo sobre el asunto y Efebel también estuvo indagando algo sobre el tema.

Personalmente no sé que opinar al respecto, pero si la diferencia de precio es poca y partiendo de que el número de resistencias que usa ese chisme es mínimo, yo iría a por las de 1/2W.
"There are two basic elements to an amplifier design – the parts you use and what
you do with them."

Nelson Pass